Infos
- Avec appel de phare,
- pour tracteurs italiens.
- Avec connexions à cosses.
- Charge : 12 V, 8 A / 24 V, 5 A
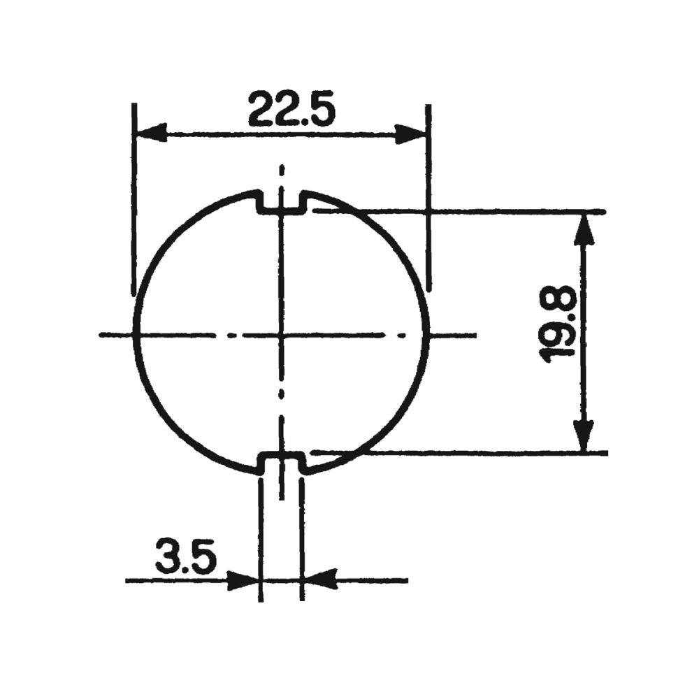
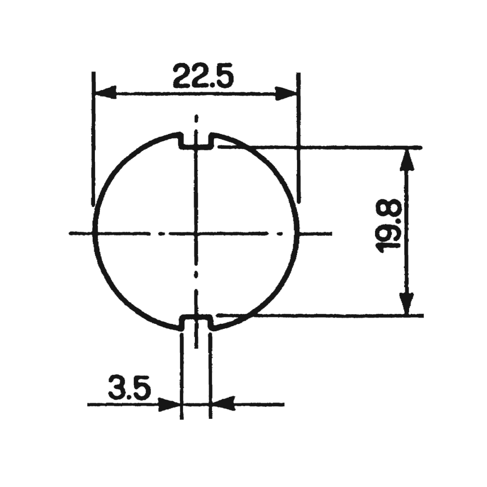
- Ouverture d'encastrement : Ø 22 mm
Caractéristiques techniques
| Désignation | Valeur |
|---|---|
| % SALE % | Non |
| Ampère | 8/5 |
| Marque | COBO |
| Ouverture de montage (mm) | Ø 22 |
| Type | 15.104.000.01 |
| Volt | 12/24 |
Fiche technique et téléchargements
Dessins techniques





