Infos
- Symétrique
- Pour tracteurs italiens.
- Montage à vis 8°/22 mm.
- Boîtier rouge.
- Lunette chromée.
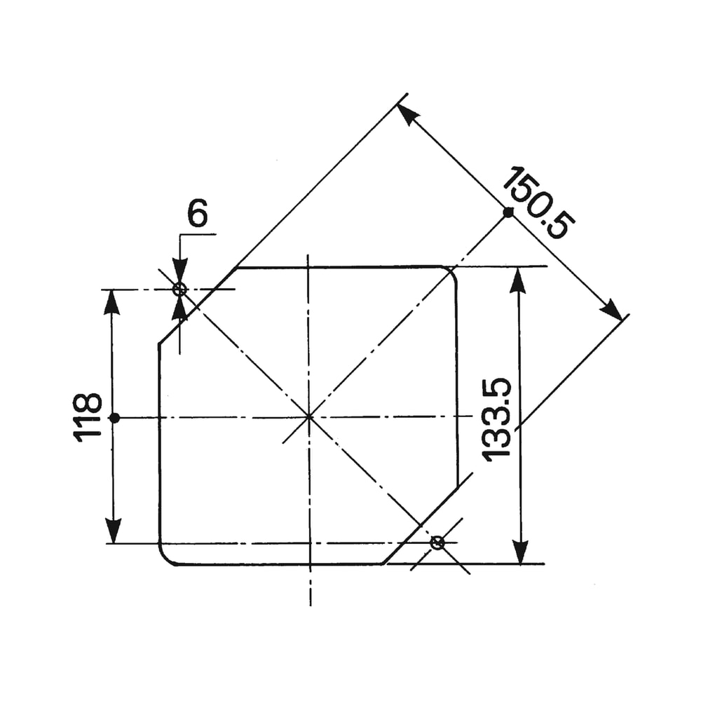
- Sortie de lumière : 110 x 110 mm
- Ouverture d'encastrement : 133 x 133 mm
- Equipement : 12 V
- 45/40W BA 20d 49671
- 4W BA 9s 12929
Caractéristiques techniques
| Désignation | Valeur |
|---|---|
| % SALE % | Non |
| Conception | symétrique |
| Couleur(s) | rouge |
| Equipement | sans ampoule |
| Feux de position | Oui |
| Hauteur (mm) | 140 |
| Largeur (mm) | 140 |
| Marque | COBO |
| Montage | à visser 8°/22 mm |
| Profondeur (mm) | 93 |
| Sortie de la lumière (mm) | 110 x 110 |
| Type | 05.102.000.01 |
| Volt | 12 |






