Infos
- Ohne Lichthupe,
- für italienische Traktoren.
- Mit Steckanschlüssen.
- Belastung: 12 V, 8 A / 24 V, 5 A
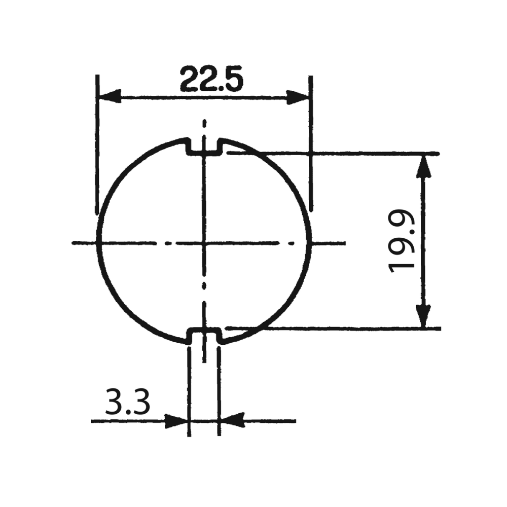
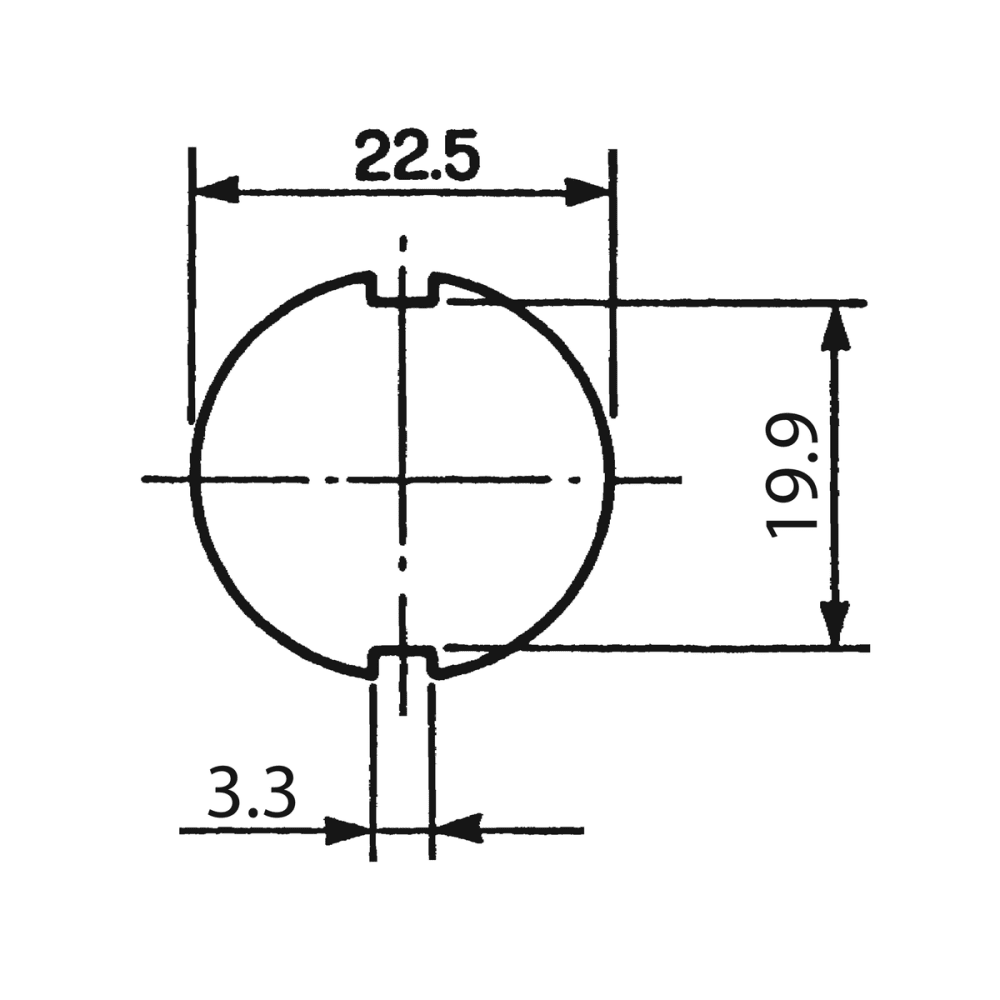
- Einbauöffnung: Ø 22 mm
Technische Daten
| Name | Wert |
|---|---|
| % SALE % | Nein |
| Ampere | 8/5 |
| Einbauöffnung (mm) | Ø 22 |
| Marke | COBO |
| Typ | 15.111.000.01 |
| Volt | 12/24 |
Datenblatt und Downloads
Techn. Zeichnung





