Infos
- Für italienische Traktoren.
- Gehäuse aus Kunststoff,
- Rundsteckanschlüsse,
- Sockel 22°.
- Bestückung:
- 12 V
- 2 x 21W BA 15s 12498
- 1 x 5W Soffitte 12864
BLL = Blinker
BRL = Bremslicht
KZL = Kennzeichenleuchte
NSL = Nebelschlusslicht
RFS = Rückfahrscheinwerfer
RUL = Rücklicht
RS = Rückstrahler
SML = Seitenmarkierungsleuchte
STL = Standlicht
Technische Daten
| Name | Wert |
|---|---|
| % SALE % | Nein |
| Anschluss | Gummitülle 6.4 mm |
| Ausführung | links |
| Blinker | Glühlampe |
| Breite (mm) | 160 |
| Bremslicht | Glühlampe |
| Höhe (mm) | 81 |
| Kennzeichenleuchte | Glühlampe |
| Lichtsystem | ohne Glühlampen |
| Marke | COBO |
| Nebelschlusslicht | ohne |
| Rückfahrscheinwerfer | ohne |
| Rücklicht | Glühlampe |
| Rückstrahler | ohne |
| Seitenmarkierungsleuchte | ohne |
| Tiefe (mm) | 137 |
| Typ | 02.268.000.01 |
| Volt | 12 |
Datenblatt und Downloads
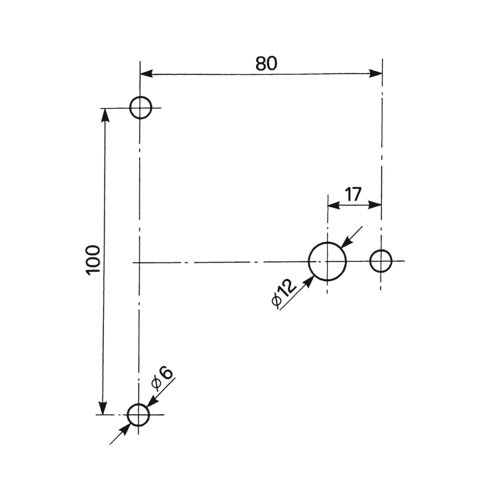
Techn. Zeichnung





